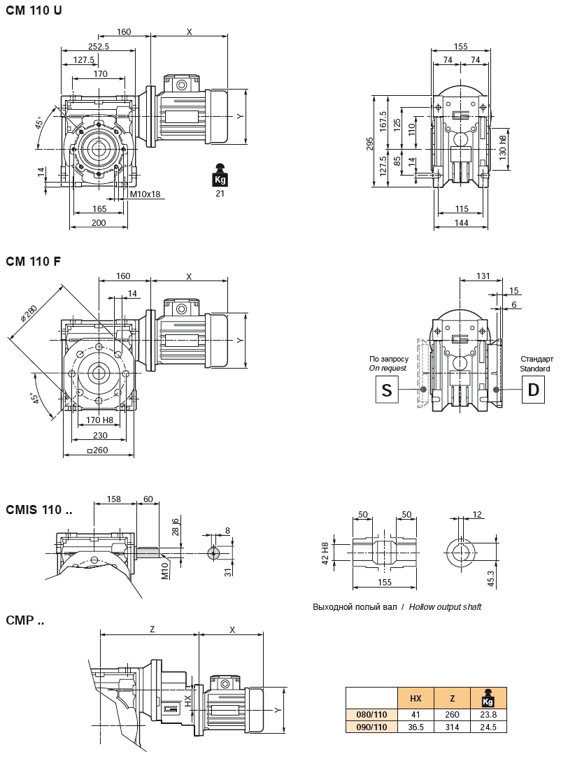
Червячный одноступенчатый мотор-редуктор CM110 позволяет передавать большой крутящий момент от двигателя к различным машинам и агрегатам, при этом сохраняются компактные размеры и небольшой вес. На редукторе имеется полый вал диаметром 42 мм.